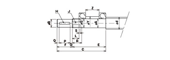
ねじ軸端追加加工規格寸法

 ねじ軸端追加加工規格寸法

加工規格寸法は、TMシリーズTMHシリーズ共通です。

 

ねじ軸端追加加工規格寸法 形状 A形

ねじ軸端追加加工規格寸法 形状 A形

(PDF:590KB)

 

ねじ軸端追加加工規格寸法 形状 B形

ねじ軸端追加加工規格寸法 形状 B形

(PDF:640KB)

 

ねじ軸端追加加工規格寸法 形状 C形

ねじ軸端追加加工規格寸法 形状 C形

(PDF:640KB)

 

ねじ軸端追加加工規格寸法 形状 D形

ねじ軸端追加加工規格寸法 形状 D形

(PDF:605KB)